El presente sitio presenta diseños y proyectos realizados con Solidworks y otros programas 3d , además de laminas y modelos 3d para practicar en casa, con el único objetivo de poder aprender y explorar la capacidad de Solidworks, no existiendo en ningún caso fines de lucro.
Tuesday, March 19, 2013
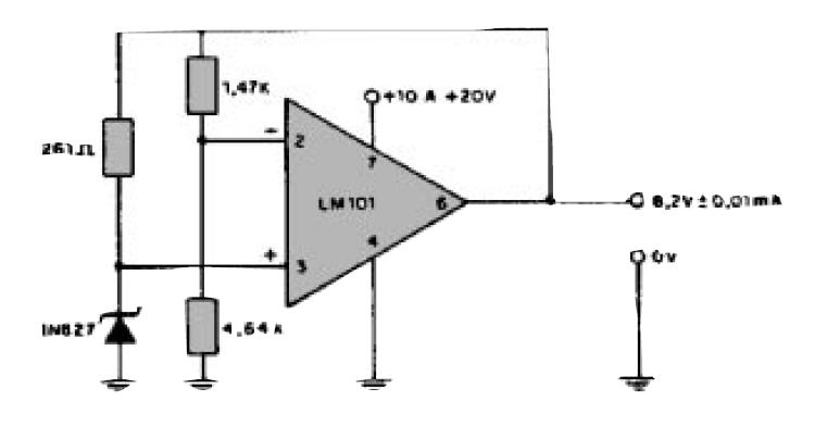
CIRCUITO DE FUENTE DE REFERENCIA DE PRECISION
Posted by Juan Francisco | Tuesday, March 19, 2013 | Category:
Electronica
|
Todos los componentes de este circuito deben ser de precisión y el diodo es del tipo especial de alta precisión, que no admite equivalentes. La fuente no precisa ser simétrica ni estabilizada.
Subscribe to:
Post Comments (Atom)


Currently have 0 comentarios: